Новини, огляди та акції
Новини, огляди та акції
|
|
|
|
|
|
(0)
|
ВЕНТС ВКПФІ 4Д 500х300 обладнаний надійним корпусом з високоякісної оцинкованої сталі, асинхронним мотором, звуковий і тепловою ізоляцією.
Характеристики:
Безкоштовна доставка по Україні + подарунок 20% від вартості вентилятора
Відцентровий вентилятор Вентс ВКПФІ 4Д 500х300 - це трьохфазний пристрій на 4 полюса з прямокутним перетином 500х300 мм. Вентилятор підходить для припливної, витяжної та припливно-витяжної систем вентиляції. Виробником гарантується тривалий термін служби агрегату. А все завдяки передексплуатаційному процесу балансування та наявності спеціальних підшипників кочення на корпусі агрегату. Управляти вентилятором легко, а встановити в повітропровід - ще простіше. Вентс ВКПФІ 4Д 500х300 тихий в роботі і безпечний. Підходить для офісів, ресторанів, магазинів і інших приміщень, де потрібен низький рівень шуму. Компанія «Вентс» забезпечила дану серію вентиляторів тепловим захистом.
Корпус представленого агрегату зроблений з матеріалу стійкого до негативних умов і високоміцного, а саме з оцинкованої сталі. Корпус з такого матеріалу не тільки не схильний до деформації, але і не іржавіє. До того ж, для звукової ізоляції передбачений шар мінеральної вати (товщина 50 міліметрів). Деталі агрегату з'єднані заклепками. Для безпосереднього з'єднання з повітроводомм на корпусі є звичайні фланці шириною 20 міліметрів.
Двигун канального вентилятора для прямокутних каналів роторний і асинхронний. Робоче колесо мотора зроблено з оцинкованої сталі і обладнано лопатками, які спрямовані вперед. Трьохфазний двигун має 4 полюси. В обмотці двигуна є вбудовані термічні контакти, які захищають вентилятор від перегріву. Перезапускаються вони автоматично. Для хорошої фіксації вентилятора і тривалого терміну служби на корпусі є спеціальні підшипники кочення. Клас захисту двигуна - ІР Х4. Потужність, споживана вентилятором, - 855 Вт Продуктивність вентилятора - 2350 м3/год. Вага вентилятора ВКПФІ 4Е 500х300 становить 52,5 кілограма.
Регулювання швидкості представленого вентилятора здійснюється за допомогою трансформаторного регулятора. Регулювання ступеневе. Є можливість підключити декілька вентиляторів до одного регулятору. При цьому потрібно взяти до відома, що при перевищенні показників потужності і робочого струму вентиляторів регулятор не буде ефективно працювати.

За допомогою приєднувальних фланців відцентровий канальний вентилятор монтується прямо в повітропровід. Установка вентилятора проста і швидка. На корпусі агрегату присутня спеціальна кришка, через яку здійснюється доступ до двигуна. Тому, під час установки агрегату в повітропровід, потрібно передбачити легкий доступ до цієї кришці. Вона повинна повністю і легко відкриватися. Враховувати треба і напрямок потоку повітря. Для установки агрегату поза приміщенням потрібні гнучкі вставки і кріплення: кронштейни, підвести, опори. Крім того, необхідно встановити для вентилятора і захист від потрапляння вологи. Обслуговування вентилятора відбувається через технологічну кришку.

Важливо !!! Відцентровий однофазний вентилятор VENTS ВКПФІ 4Д 500х300 не призначений для вибухонебезпечних приміщень.
В комплект входить:
Технічні характеристики ВЕНТС ВКПФІ 4Д 500х300 |
|
|
Параметр |
Величина |
|
Модель |
ВЕНТС ВКПФІ 4Д 500х300 |
|
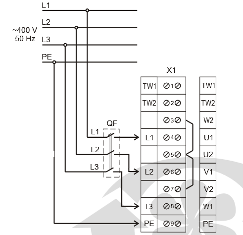
Напруга |
400, В |
|
Струм |
1,7, А |
|
Частота струму |
50, Гц |
|
Споживана потужність |
855,Вт |
|
Максимальні витрати повітря |
2350, м3/год |
|
Частота обертання |
1230, хв-1 |
|
Рівень звукового тиску на відстані. 3 м |
47, dB(A) |
|
Максимальна температура переміщуваного повітря |
-20 +50, оС |
|
Захист |
IP X4 |
|
Маса |
52,5, кг |
|
Розмір патрубка |
500х300, мм |
|
Двигун підвищеної потужності |
Ні |
|
Малошумне виконання |
Так |
|
Двигун з низьким енергоспоживанням |
Ні |

|
Габаритні розміри, мм |
|||||||
|
В |
В1 |
В2 |
Н |
Н1 |
Н2 |
Н3 |
L |
|
500 |
520 |
540 |
300 |
320 |
340 |
460 |
680 |

|
|
|
|
|
|
(0)
|
|
|
|
|
|
|
(0)
|
|
|
|
|
|
|
(0)
|
Новини, огляди та акції












