Новини, огляди та акції
Новини, огляди та акції
Підлогова система витяжки UFKДля вентиляції лако-фарбових випарів і пилу досягається найбільш ефективна дія, з ефектом витяжки з нижньої сторони і подачі повітря зверху. Таким чином розроблена дана підпільна витяжна система. Переваги установки підпільної витяжної системи
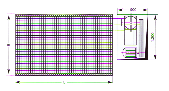
На малюнку показано схему, як монтують підкладку, покривають підлогу з переливний решітки та системи подачі повітря ковдру з фільтром. Можливо проектировка і виробництво нестандартного обладнання для кожної потреби клієнта. З регульованою швидкістю видобутку і постачання повітря є альтернативою найбільш економічно зниження Схема розмірів![]()
|
Новини, огляди та акції

