Новости, обзоры и акции
Новости, обзоры и акции
|
|
|
|
|
|
(0)
|
Вентилятор дымоудаления ВДРДВ-7,1 ВВ используют для удаления высоких температур дымовых, воздушных и газовых масс, одновременно выводя эти массы за пределы вентилируемых помещений. Эксплуатируют вентиляторы при t -40С…+40С, а максимально допустимая выводимая вентилятором температура +400С…600С выдерживают от 120 минут.
Характеристики
Вентилятор дымоудаления ВДРДВ 7,1ВВ купить, цена вентиляторы
Вентилятор дымоудаления ВДРДВ 7,1ВВ предназначен для применения в специальных вентиляционно-вытяжных системах для удаления возникающих при пожарах высокотемпературных дымовых, воздушных и газовых смесей и одновременного их удаления за пределы помещений и сооружений.
Вентиляторы данного типа изготовляются из согласно с Техническими условиями У29.2-24321588-007:2006 изготовляются из:
• углеродистой легированной стали (в таких вентиляторов повышена твёрдость, износостойкость, коррозионная стойкость)
• титановых сплавов (производители выпускают титановые вентиляторы в ограниченном количестве). Данные вентиляторы не разрешается применять в газовых и воздушных средах, содержащих пары таких кислот, как плавиковой и фтористоводородной, фтора и брома, а также йода и хлора. Вентиляторы произведены из титановых сплавов могут применять во всех средах, где образовываются окислы и гидриды титана на поверхности вентилятора.
Огнестойкие и выдерживают предел огнестойкости при температуре воздушно-газовой среды от 400С… до 600С – от 120 минут.
Вентилятор радиальный дымоудаления его основные технические характеристики:
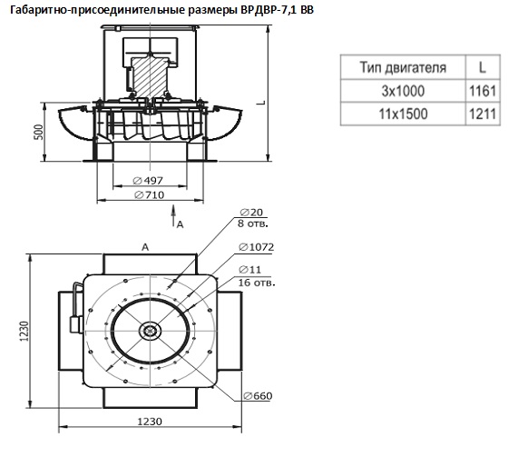
ВДРДВ-7,1 ВВ - вентилятор крышный радиальный дымоудаления с диаметром рабочего колеса 710 мм, создан в исполнении выброса воздуха вверх.
- вентиляторы одностороннего всасывания,
- устанавливаются на крышах зданий.
- 12 лопаток,
- лопатки вентилятора загнуты назад,
- вывод дыма и газов производиться вверх.
Данные вентиляторы производятся по первой конструктивной схеме исполнения.
Условия эксплуатации вентилятора дымоудаления:
ВДРДВ эксплуатируют в условиях климата: умеренного (У) или же тропического (Т);
Рабочая температура окружающей среды -30С.. 40С (для вентиляторов в исполнении Т +45С).
Использование вентиляторов можно по 1 категории размещения;
Для электродвигателя вентилятора дымоудаления предусмотрено принудительное воздушное охлаждение.
Технические характеристики Вентилятора крышного дымоудаления ВДРДВ 7,1 ВВ
|
Марка |
Тип электродвигателя |
Nдв, кВт |
Частота вращения, об/мин |
Производительность, |
Полное давление, даПа |
|
ВДРДВ-7,1 ВВ |
АИР, АИРУ, 5АМ |
3,0 |
1000 |
11,38 |
196 |
|
АИР |
11 |
1500 |
17,3 |
449 |


|
|
|
|
|
|
(0)
|
|
|
|
|
|
|
(0)
|
|
|
|
|
|
|
(0)
|
|
|
|
|
|
|
(0)
|
Новости, обзоры и акции
