Новини, огляди та акції
Новини, огляди та акції
Наша проектно-монтажна компанія пропонує комплексне рішення завдань з проектування систем вентиляції будь-якого рівня складності, підбір оптимального обладнання для вентиляційних систем у відповідності з технічним завданням та побажаннями клієнта, а також монтаж «під ключ» і пуско-налагоджувальні роботи з подальшим обслуговуванням.
Ні одне підвальне приміщення не може обійтися без системи вентиляції. Підвальним вважається приміщення, більш ніж на половину своєї висоти розташоване нижче рівня землі. Не слід плутати його з цоколем. Цокольний поверх, навпаки, більш ніж наполовину розташований над рівнем землі. В якості стін підвалу або цоколя виступає фундамент будинку. З-за відсутності природної інсоляції (попадання прямих сонячних променів) і провітрювання, вогкість є невід'ємною частиною підвальних приміщень і уникнути її вкрай важко. Саме тому необхідна вентиляція підвалу.
(!) Так само слід врахувати, що в останні роки актуальною стає противорадоновая захист, що передбачається в житлових будинках.
Радон – інертний радіоактивний газ, що виділяється через грунт і може накопичуватися в підвальних приміщеннях і навіть просочуватися в житлові приміщення нижніх поверхів. Немає сенсу говорити, якої шкоди це може принести здоров'ю людей, що знаходяться в безпосередній близькості. Якісний повітрообмін і рівномірна циркуляція повітря позбавить приміщення підвалу від усіх цих негативних моментів.
У підвалі багатоквартирного будинку, як правило, знаходиться інженерне обладнання. Це можуть бути трубопроводи інженерних систем, комунікації, запірна та регулююча арматура і т. д. Металеві конструкції у вогкості дуже швидко кородують і виходять з ладу. Також мешканці будинку можуть використовувати підвал для зберігання своїх особистих речей, меблів, консервації і т. п. речей. Тому в підвалі обов'язково необхідно підтримувати нормальний рівень вологості, не допускати вогкість і затхлість. Повітряна середовище підвалу багато в чому залежить від якості гідроізоляційних робіт під час будівництва будинку. Якщо вони виконувалися недобросовісно, то стіни підвалу насичуються вологою з грунту, чому сиріють і покриваються цвіллю. Мешканці перших поверхів можуть відчути це на собі. Підвали приватних і багатоквартирних будинків можуть використовуватися для різних громадських потреб. Найчастіше, там обладнають офіси, магазини, майстерні і т. д., що передбачає тривале перебування там людей.
Таким чином підвали не за призначенням можуть використовуватися як:
• Технічні приміщення;
• Складські приміщення;
• Суспільно-адміністративні приміщення.
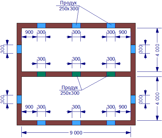
Підвали і технічні підпілля житлових будинків повинні провітрюватися регулярно протягом усього року за допомогою витяжних каналів, вентиляційних отворів у вікнах і цоколі або інших пристроїв при забезпеченні не менше ніж одноразового повітрообміну. У зовнішніх стінах підвалів, технічних підпіль, які не мають витяжної вентиляції слід передбачати спеціальні вентиляційні отвори (продухи) загальною площею не менше 1/400 площі підлоги технічного підпілля або підвалу, рівномірно розташовані по периметру зовнішніх стін. Площа одного продухи повинна бути не менше 0,05 м2.
Розташовувати їх слід на висоті не менше 300 мм від рівня землі до низу продуху, щоб туди не потрапляв сніг, талі і зливові води. Максимальна відстань від кута до отвору повинно становити 900 мм, щоб уникнути так званих «невентильованих мішків». Продухи можуть бути круглої або квадратної форми, обов'язково слід закривати їх сітками, щоб тварини і гризуни не могли потрапити в підвал.
(!) Закривати продухи в зимовий час повністю не можна. Це загрожує скупченням вологи і обмерзанням. Виняток можна зробити тільки на час сильних морозів.
Схема розташування продух в підвалі житлового будинку на плані фундаменту
Вентиляція підвалу житлового будинку може бути природним і штучним спонуканням повітря. Природна вентиляція відбувається за рахунок різниці щільності і температури повітря. Для цього в приміщення передбачається припливний і витяжний отвір. З допомогою повітроводів повітря надходить всередину і видаляється назовні. Припливне повітря подається знизу приміщення, оптимально - на висоті 250-300 мм від відмітки підлоги. Витяжка розташовується у верхній частині підвалу на відстані 100-200 мм від стелі. Тепле вологе повітря піднімається вгору і видаляється через витяжний отвір, а свіжий надходить в підвал. Таким чином відбувається повітрообмін. При цьому тепле повітря, проходячи через витяжний повітровід і стикаючись з холодним зовнішнім повітрям, утворює конденсат і, відповідно, обмерзання воздуховода.
(!) Щоб уникнути обмерзання витяжний повітровід передбачається з тепловою ізоляцією.
Припливні і витяжні отвори необхідно закривати ґратами, щоб туди не потрапляло сміття і комахи. Припливно-витяжна система вентиляції з природним спонуканням добре працює для невеликих по площі підвалів. При великій площі і наявності декількох, а не одного приміщень, а також у випадках, коли природна вентиляція не справляється, доцільно застосування вентиляції з штучним спонуканням (механічна вентиляція). Для цього в димарі встановлюють вентилятори, які нагнітають повітря штучним шляхом, прискорюючи повітрообмін. Так як підвал є приміщенням з підвищеною вологістю, то і вентиляційне обладнання потрібно підбирати з урахуванням цієї особливості. Тому для приміщень підвалу можна використовувати вологозахищені вентилятори, які використовуються для вентиляції ванних кімнат (див. статтю Вентиляція ванної кімнати, Вентилятори для ванних кімнат).
Це можуть бути вентилятори осьового, канального і відцентрового типу (див. Осьові вентилятори для ванних кімнат, Канальні вентилятори для ванних кімнат, Відцентрові вентилятори для ванних кімнат).
У випадках, коли використовується під підвал суспільно-адміністративні об'єкти, вентиляція його проектується згідно норм призначення приміщення, як правило, механічна, припливно-витяжна. При великих площах доцільно використовувати припливно-витяжні установки з рекуперацією.
Схема природної вентиляції підвалу і льоху
Льох, як і підвал знаходиться під землею. Однак, якщо підвал є частиною будівлі і може мати різні призначення, то льох – це окремо стоїть споруда, призначена для зберігання продуктів та напоїв. Це можуть бути овочі, домашні заготовки, консервація, вино і т. п. речі. Значить, там повинно бути сухо і тепло. Льох має невеликі габарити, у той час як площа підвалу співвідноситься з площею всього будинку. Якщо льох зроблений на щільному грунті, не вимагає облицювання і гідроізоляції. Вентиляція льоху схожа з вентиляцією підвалу і, як правило, виконується з природним спонуканням повітря. Критерії такі: для видалення і подачі повітря використовуються два воздуховода, витяжний отвір розташовується зверху (100-200 мм від стелі), припливний – знизу (250-300 мм від підлоги). Вентиляційні отвори краще прикрити сіткою всередині приміщення і парасольками зовні, щоб уникнути попадання сміття, опадів і комах. Для запобігання обмерзання витяжного воздуховода, його необхідно ізолювати (обмотувати тепловою ізоляцією). Діаметр воздуховода і вентиляційних отворів підбирається з розрахунку однократного повітрообміну в годину при швидкості руху повітря в повітропроводі 1-2 м/с.
(!) Встановлення дефлектора на витяжну вентиляційну трубу в значній мірі дозволяє збільшити тягу.
У вентиляції стоїть окремо, погреби доцільно застосування обертового дефлектора на витяжці. Пристрій відхиляє повітряні потоки. У результаті на виході з вентиляційної шахти утворюється зона зниженого тиску. Таким чином відбувається компенсація тиску повітря всередині труби піднімається вгору. Обертовий вентиляційний дефлектор підсилює тягу і ефективно захищає канали від попадання всередину різноманітного сміття та атмосферних опадів. Головною особливістю пристрою є куляста форма. Продуктивність обертового дефлектора безпосередньо залежить від швидкості вітру. Чим сильніший вітер, тим сильніше тяга.
Схема дефлектора, який обертається

Грамотно спроектувати вентиляцію підвалу або погреби Вам допоможуть наші фахівці!
Дивись також статті по темі: Вентиляція ванної кімнати, Вентиляція кухні, Вентиляція горища, Вентиляція квартири.
Замовити проектні роботи систем вентиляції будь-якої складності за найвигіднішими цінами можна в нашій проектно-монтажної компанії. У сферу наших послуг входить: проектування, монтаж, пуско-наладка, сервісне обслуговування систем Вентиляції, а також інших інженерних систем, таких як: Опалення, Кондиціювання, Водопостачання, Каналізація, Газопостачання.
Наші пріоритети — це надійність, якість та ефективність, тому співпрацюючи з нами, Ви маєте можливість оцінити всі переваги роботи з професіоналами!
Новини, огляди та акції