Новини, огляди та акції
Новини, огляди та акції
Мотор-редуктор 1МЦ2С-125, технічні характеристики |
|||||
|
|
|||||
|
Тип мотор-редуктора |
Частота обертання вихідного валу, об/хв |
Номінальний крутний момент на вихідному валу, Нм |
Тип електродвигуна в комплекті |
Потужність електродвигуна, кВт |
Ціна, грн |
|
1МЦ2С-125-28-3 |
28 |
991 |
АИР112МА6 |
3 |
|
|
1МЦ2С-125-28-4 |
1322 |
АИР112МВ6 |
4 |
|
|
|
1МЦ2С-125-35,5-4 |
35,5 |
1043 |
АИР112МВ6 |
4 |
|
|
1МЦ2С-125-35,5-5,5 |
1434 |
АИР132S6 |
5,5 |
|
|
|
1МЦ2С-125-45-4 |
45 |
822 |
АИР100L4 |
4 |
|
|
1МЦ2С-125-45-5,5 |
1131 |
АИР112М4 |
5,5 |
|
|
|
1МЦ2С-125-56-5,5 |
56 |
909 |
АИР112М4 |
5,5 |
|
|
1МЦ2С-125-56-7,5 |
1239 |
АИР132S4 |
7,5 |
|
|
|
1МЦ2С-125-71-7,5 |
71 |
977 |
АИР132S4 |
7,5 |
|
|
1МЦ2С-125-71-11 |
1434 |
АИР132М4 |
11 |
|
|
|
1МЦ2С-125-90-7,5 |
90 |
771 |
АИР132S4 |
7,5 |
|
|
1МЦ2С-125-90-11 |
1131 |
АИР132М4 |
11 |
|
|
|
1МЦ2С-125-112-11 |
112 |
909 |
АИР132М4 |
11 |
|
|
1МЦ2С-125-112-15 |
1239 |
АИР160S4 |
15 |
|
|
|
1МЦ2С-125-140-15 |
140 |
991 |
АИР160S2 |
15 |
|
|
1МЦ2С-125-140-18,5 |
1223 |
АИР160М2 |
18,5 |
|
|
|
1МЦ2С-125-180-15 |
180 |
771 |
АИР160S2 |
15 |
|
|
1МЦ2С-125-180-18,5 |
951 |
АИР160М2 |
18,5 |
|
|
Мотор-редуктор 1МЦ2С-125 успішно використовується в різних галузях промисловості, де використовується обладнання загального призначення. У тому числі, 1МЦ2С-125 використовується також і в машинобудівній промисловості. Його високий показник ефективності та ККД, обумовлений використанням ефективної циліндричної передачі, дозволяє працювати практично з будь-яким обладнанням. Але все ж, незважаючи на свою популярність і хороші робочі показники, мотор-редуктор 1МЦ2С-125 не рекомендований для застосування в роботі з апаратами і механізмами вантажопідйомної роботи.
Конструювання коліс із зубами для циліндричної передачі мотор-редуктора 1МЦ2С-125 відбувається з використанням зачеплення Новікова.
Мотор-редуктор 1МЦ2С-125 є ефективним і недорогим рішенням для приведення механізму в роботу, при цьому надаючи надійність і простоту в експлуатації.
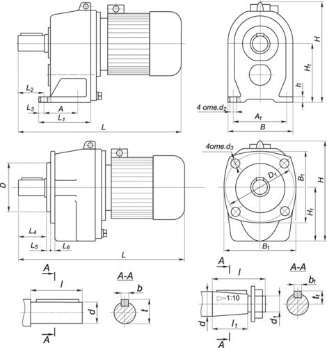
Габаритні та монтажні розміри мотор-редуктора 1МЦ2С-125 |
||||||||||||||||||||||||||
|
|
||||||||||||||||||||||||||
|
Тип мотор-редуктора |
Розмір, мм |
|||||||||||||||||||||||||
|
А |
А 1 |
B |
B 1 |
D |
D 1 |
Hmax |
Lmax |
H1 |
L1 |
L2 |
L3 |
L4 |
L5 |
L6 |
h |
d |
d1 |
d2 |
d3 |
l |
l1 |
b |
b1 |
t |
t1 |
|
|
1МЦ2С-125 |
160 |
280 |
335 |
360 |
300 |
350 |
530 |
913 |
265 |
235 |
105 |
25 |
120 |
5 |
20 |
28 |
55 |
М36 |
19 |
18 |
110 |
82 |
16 |
14 |
59 |
29 |

Наведено приклад позначень наступного типорозміру мотор-редуктора:1МЦ2С-125-56-2,0-G310-Ц-У3-220В
Новини, огляди та акції


