Новини, огляди та акції
Новини, огляди та акції
|
|
|
|
|
|
(0)
|
Осьовий вентилятор МР 404В |
|||||||||||||||
|
|
|||||||||||||||
|
Тип |
кВт |
об. |
Дб |
кг |
Продуктивність, м3 / год |
||||||||||
|
0 |
500 |
1000 |
1500 |
2000 |
2500 |
3000 |
3500 |
4000 |
4500 |
4900 |
|||||
|
Тиск, мм вод.ст |
|||||||||||||||
|
МР 404В |
0,25 |
1450 |
71 |
11 |
22 |
20 |
17 |
14 |
12 |
13 |
12 |
9 |
7 |
4 |
0 |
|
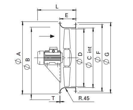
Двигун |
A |
B |
C |
D |
E |
F |
G |
L |
T |
N0 |
ø |
|
63 71 80 100 |
507 |
480 |
410 |
400 |
150 |
440 |
473 |
390 400 430 520 |
1,5 |
6 |
11 |
|
|
|
|
|
|
(0)
|
|
|
|
|
|
|
(0)
|
|
|
|
|
|
|
(0)
|
|
|
|
|
|
|
(0)
|
Новини, огляди та акції
