Новини, огляди та акції
Новини, огляди та акції
|
|
|
|
|
|
(0)
|
Гідрофільтрі застосовуються на промислових кухнях, де температурний режим виділяються газів досягає позначки в 250 градусів С. Наявність цього обладнання запобігає першим ознакам загоряння, що переростають у наслідок у пожежу. Корпуснв конструкція агрегату встановлюється в систему видалення диму або в стандартну вентиляцію. Гідрофільтр рекомендовано експлуатувати при температурному режимі в приміщенні від +10-40 градусів С. При цьому показник вологості не повинен перевищувати 80%. Монтаж проводиться в безпосередній близькості до комунікацій для зливу і подачі водяного напору.
Гідрофільтр складається з двох основних частин – корпус установки і накопичувальний бак. Інсталяційний корпус виконує функцію охолодження повітряних мас, а також в якості уловлювача ознак загоряння – іскри, зола, наявність сажі. Установка проводиться в вентиляційну систему. Бак для води сприяє циркуляції води для охолодження в контурі високого тиску. Подача води забезпечується в корпус.
Інсталяційний корпус гідравлічного фільтра укомплектований технічними форсунками, розташованими на вході. Вони допомагають створити водяну завісу дрібнодисперсного типу. Накопичувальний бак має якісний корпус, виготовлений з безпечного матеріалу, має клапан з поплавцем, фільтр попереднього очищення води, насос електричний і систему управління включення і виключення системи.
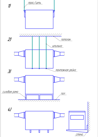
Гідрофільтр встановлюється в систему вентиляції, а також димовидалення. Установка проводиться за схемою з заслінками на вході і виході пристрою. Фільтр необхідно встановити фільтри лабіринтового типу.
Накопичувальний бак монтується на підлозі. Необхідно вибрати розташування ближче до систем водної комунікації для забезпечення безперебійної подачі і зливу води. Потім проводиться підключення до мережі електроживлення.
Купити гідрофільтр в Україні можна на нашому підприємстві. Ми забезпечимо своїм клієнтам зручний спосіб доставки по всім регіонам країни. Майстри виконають всі роботи з підключення пристрою, його попереднім тестуванням і складуть акт про дозвіл здачі в експлуатацію. Всі моделі серії можна побачити по посилання
|
Гідрофільтр I (1- ступінь очистки) |
||
|
|
||
|
Характеристики |
Модель |
|
|
I |
||
|
Пропускна здатність, не більше [м3/год] |
1000 |
|
|
Фланець підключення воздуховода [мм] |
300х200 |
|
|
Температура очищуваного повітря [З] |
от +3 до +250 |
|
|
Аеродинамічний опір [Па] |
400 |
|
|
Робоче розташування корпусу |
Вертикальне, горизонтальне |
|
|
Витрата води [л] |
до 500 | |
|
Об'єм води в баку [л] |
80-90 | |
|
Живляча напруга электронаоса [В] |
220 |
|
| Габаритні розміри, мм | |||||||
|
Зовнішні розміри, ДхШхВ |
Габаритні розміри, ДхШхВ |
Зовнішні розміри бака, ДхШхВ |
Розміри з каркасом, ДхШхВ |
||||
|
820х420 х780 |
920х507х80 |
670х360 х500 |
670х590 х690 |
||||
|
|
|
|
|
|
(0)
|
|
|
|
|
|
|
(0)
|
|
|
|
|
|
|
(0)
|
|
|
|
|
|
|
(0)
|
Новини, огляди та акції

