Будьте в курсе!
Новости, обзоры и акции
Новости, обзоры и акции
|
|
|
|
|
|
(0)
|
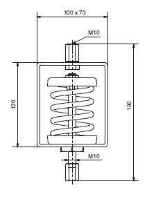
Пружинные опоры ZSD
ОписаниеFSD: Пружинные опоры FSD выполняют функцию вибро- и звукоизолятора.
Конструкция: Пружинная опора FSD состоит из двух пружинных фланцев с внутренней резьбой М10, к которым прикручиваются шпильки резьбовые, пружины винтовой цилиндрической и корпуса прямоугольной формы.
Технические характеристики ZSD

|
|
|
|
|
|
(0)
|
|
|
|
|
|
|
(0)
|
|
|
|
|
|
|
(0)
|
Новости, обзоры и акции
