Новости, обзоры и акции
Новости, обзоры и акции
|
|
|
|
|
|
(0)
|
Регулятор скорости REE 1
Основные сведения
Тиристорные регуляторы REE 1 (REE 2, 4) обеспечивают ручное регулирование однофазных асинхронных электродвигателей переменного тока и двигателей постоянной мощности. Изменение скорости вращения электродвигателей обеспечивается изменением напряжения на выходе регулятора.
Компания ООО "УкрЭнерго-Альянс" предоставляет возможность купить регуляторы скорости шведской компании Systemair по доступной цене. Для уточнения цен (прайс-лист) на изделие, его технические характеристики, порядок монтажа и использования совместно с вентиляторами марки Systemair уточняйте у наших менеджеров.
Технические характеристики и параметры
|
Параметр |
Единица измерения |
REE 1 |
|
Напряжение |
В |
230 |
|
Фазность |
~ |
1 |
|
Частота |
Гц |
50...60 |
|
Ток |
A |
0.1...1 |
|
Предохранитель |
A |
1.25 |
|
Класс защиты корпуса |
IP |
54 |
|
Ширина |
мм |
82 |
|
Высота |
мм |
82 |
|
Глубина |
мм |
65 |
|
Вес |
кг |
0.25 |
Описание
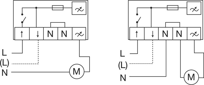
Размеры, схема подключения


|
|
|
|
|
|
(0)
|
|
|
|
|
|
|
(0)
|
|
|
|
|
|
|
(0)
|
Новости, обзоры и акции
