Новости, обзоры и акции
Новости, обзоры и акции
|
|
|
|
|
|
(0)
|
Вращения типа ARW, потребляемый ток – 3 А, работает при напряжении тока 230 В.
Постепенно регулировать температуру отопительных элементов и скорость вращения однофазного двигателя стало еще легче.
Регуляторы такого типа обеспечат длительную, надежную и экономную работу приборов. После достаточной простой установки вам лишь следует выбрать одну из пяти скоростей работы. Таким образом, вы самостоятельно регулируете скорость вращения однофазных двигателей и снижаете нагрузку на них. Приобретя этот незаменимый и полезный прибор, вы можете наслаждаться безопасностью и забыть о лишних растратах.
Регуляторы типа ARW предназначены для регулирования скорости вращения однофазных двигателей вентиляторов.
Также могут быть использованы для регулирования температуры отопительных элементов.
|
Тип |
Upri [V] |
Степень регулирования Ur[V] / IR[A] |
Тип соединителя |
||||
|
1 |
2 |
3 |
4 |
5 |
|||
|
ARW 1,2 |
230 |
115/0,9 |
135/1,0 |
155/1,1 |
180/1,2 |
230/1,2 |
TLZ4 |
|
ARW 1,5/1 |
230 |
115/1,5 |
135/1,5 |
155/1,5 |
180/1,5 |
230/1,5 |
TLZ4 |
|
ARW 2,0/2 |
230 |
65/0,9 |
110/1,5 |
135/1,7 |
170/2,0 |
230/2,0 |
TLZ4 |
|
ARW 3,0 |
230 |
115/2,4 |
135/2,6 |
155/2,8 |
180/3,0 |
230/3,0 |
TLZ4 |
|
ARW 3,0/2 |
230 |
70/1,5 |
85/1,8 |
105/2,2 |
145/2,7 |
230/3,0 |
TLZ4 |
|
Степень защиты |
IP30-ARW1,2; ARW 1,5/1; ARW 3,0 ; IP54- ARW2,0/2, ARW3,0/2 |
|
Окружающая температура |
40°C |
|
Предохранения |
Термический выключатель реагирует на перенапряжение |
|
Согласность с нормой |
PN-EN61558-2-13 |
|
Класс изоляции |
II + средства гарантирующие постоянство электр. цепи PE |
Габаритные размеры регулятора скорости вращения ARW 3,0/2 |
|
|
|
|
|
Рисунок регулятора ARW представляет исключительно визуализацию продукта |
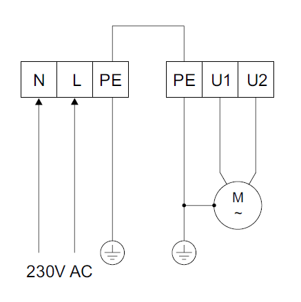
Схема электрического подключения регуляторов вращения ARW |
|
|
|
|
|
|
(0)
|
|
|
|
|
|
|
(0)
|
|
|
|
|
|
|
(0)
|
|
|
|
|
|
|
(0)
|
Новости, обзоры и акции


