Новости, обзоры и акции
Новости, обзоры и акции
|
|
|
|
|
|
(0)
|
ВЕНТС (Vents) ВУТ 300 ЭГ ЕС ЭКО – одна из лучших вентустановок по показателям энергосбережения. Оснащена ЕС мотором, рекуператором, может комплектоваться электронагревателем. Предназначена для соединения с круглым воздуховодом диаметром 160 мм.
Приточно-вытяжной вентагрегат ВЕНТС (Vents) ВУТ 300 ЭГ ЕС ЭКО
– прекрасное решение для кондиционирования и вентиляции зданий. Установки обеспечат чистым и свежим воздухом помещения различного назначения. Данные агрегаты экономичны, благодаря высокоэффективным ЕС моторам и усовершенствованному рекуператору противотока. Установки серии ЭКО - одни из лучших на рынке по показателям энергосбережения. Предназначены для соединения с круглыми каналами диаметром 160 мм.
Материал корпуса установки - алюмоцинковая сталь. Для тепло- и звукоизоляции служит минвата толщиной 25 мм. Очистку приточного воздуха осуществляет карманный фильтр со степенью очистки G4, а очистку воздуха на вытяжке- кассетный фильтр G4. В качестве двигателей вентиляторов использованы высокоэффективные электронно-коммутируемые (ЕС) моторы с внешним ротором, оснащенные колесом с лопатками, загнутыми назад. Эти двигатели являются высокопроизводительными, на сегодня они - наиболее эффективное решение в энергосбережении. Важным преимуществом ЕС-моторов является их высокий КПД (до 90 %). Установка ВЕНТС (Vents) ВУТ 300 ЭГ ЕС ЭКО оснащена пластинчатыми рекуператором из полистирола. Его тип - противоточный. Под блоком рекуператора находится поддон для сбора и отведения конденсата. По желанию заказчика, установка комплектоваться электрическим нагревателем. Он не входит в комплектацию и поставляется отдельно.
Данная модель комплектуется встроенной системой автоматики и удобной панелью управления с графическим сенсорным дисплеем. Рекуператор защищен от обмерзания: по сигналу датчика температуры его прогревает теплый вытяжной воздух. Если установка оснащена электронагревателем, то по датчику температуры рекуператор прогревается теплым вытяжным воздухом. С помощью панели управления можно не только включать (выключать) установку, но и поддерживать нужную температуру воздуха, регулировать скорость вращения вентиляторов, программировать режим работы агрегата на сутки и на неделю. Также на дисплее отображается состояние фильтров (для контроля за загрязненностью).
Агрегат предназначен для установки на полу, также может подвешиваеться к потолку. При этом нужно обеспечить доступ со стороны передней панели для чистки фильтров и сервисного обслуживания.
Купить данную современную модель вентиляционной тустановки можно прямо на интернет-сайте нашего магазина вентоборудования. Специально для наших покупателей цены ниже на 9% по сравнению с рыночными. Мы предоставим консультации специалистов, сервис и надежную доставку. Покупайте у нас!
Более подробную информацию о приточно-вытяжных установках с рекуператором ВЕНТС ВУТ 300 ЭГ ЕС смотрите ЗДЕСЬ
Шумоглушители СР (круглые) |
Клапаны КОМ |
Канальный электронагреватель НК
|
|
|
|
|
Заслонки КРА (круглые) |
Шумоглушители СРФ |
Хомуты Х |
|
|
|
|
Приточно-вытяжная установка ВЕНТС (Vents) ВУТ 300 ЭГ ЕС ЭКО |
||
|
Параметр |
Величина |
Единица измерения |
|
Фазность |
1 |
|
|
Напряжение |
230 |
В |
|
Частота тока |
50 |
Гц |
|
Максимальная мощность вентилятора |
2 шт. х 70 |
Вт |
|
Ток вентилятора |
2 шт х 0,6 |
А |
|
Мощн. электронагревателя (доп. компл.) |
3000 |
Вт |
|
Ток электронагревателя |
13 |
А |
|
Суммарная мощность установки |
3140 |
Вт |
|
Суммарный ток установки |
14,2 |
А |
|
Максимальный расход воздуха |
300 |
м³/ч |
|
Частота вращения |
1380 |
минˉ¹ |
|
Уровень звукового давления на расст. 3 м |
24-45 |
dB(A) |
|
Материал корпуса |
алюмоцинк |
|
|
Макс. темп. перемещаемого воздуха |
-25 +60 |
оС |
|
Изоляция |
25 мм, мин. вата |
|
|
Размер подключаемого воздуховода |
160 |
мм |
|
Масса |
42 |
кг |
|
Фильтр: вытяжка |
G4 |
|
|
Фильтр: приток |
G4/F7(EU7) |
|
|
Эффективность рекуперации |
до 98% |
|
|
Тип рекуператора |
противоток |
|
|
Материал рекуператора |
полистирол |
|
|
Рекуперация тепла |
да |
|
|
ЕС мотор |
да |
|
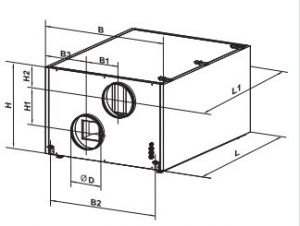
| Размеры, мм | |||||||||
![]() |
|||||||||
| D | B | B1 | B2 | В3 | Н | H1 | Н2 | L | L1 |
| 159 | 566 | 125 | 391 | 186 | 475 | 202 | 118 | 1081 | 1187 |

|
|
|
|
|
|
(0)
|
|
|
|
|
|
|
(0)
|
|
|
|
|
|
|
(0)
|
|
|
|
|
|
|
(0)
|
Новости, обзоры и акции






