Новости, обзоры и акции
Новости, обзоры и акции
|
|
|
|
|
|
(0)
|
Вытяжные осевые вентиляторы Бахчиван серии BK 200 предназначены для вентиляции в бытовых, административных, торговых, развлекательный зданий. Устанавливают оборудование в окно или стену.
Главные преимущества вентилятора BK 200 - это хорошая циркуляция воздуха с высокой шумоизоляцией, экономичный.
Корпус оборудования выполнен из листовой стали с покрытием поверхности антикоррозийной краской. Корпус двигателя - литой из алюминия, оснащен подшипником, что обеспечивает надежную работу и уменьшения вибрации. Крыльчатка сбалансирована, что улучшает надежную и качественную работу, увеличивают срок эксплуатации устройства. Оснащенный крышкой, которая защищает вентилятор если оборудование не работает.
Вентиляторы Бахчиван серии BK 200 высокоэффективные, мощные, поддерживающие стабильное высокое давление, хорошую шумоизоляцию.
|
Модель |
Напряжение, В |
Мощность. Вт |
Частота вращения, об/мин |
Производительность. м3/час |
Уровень шума, дБ (А) |
Вес, кг |
|
BK 200 |
230 |
28 |
1250 |
780 |
53 |
2,1 |
|
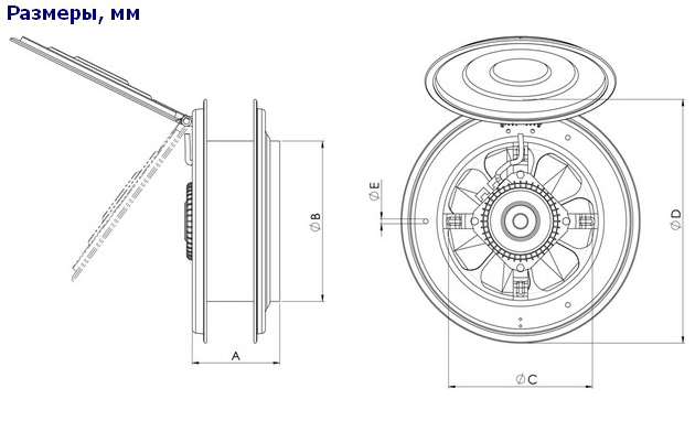
Модель |
A |
B |
C |
D |
E |
|
ВК 160 |
80 |
162 |
148 |
236 |
5 |
|
ВК 200 |
102 |
202 |
178 |
282 |
5 |
|
ВК 250 |
102 |
248 |
234 |
332 |
5 |
|
ВК 300 |
102 |
298 |
284 |
380 |
5 |
|
|
|
|
|
|
(0)
|
|
|
|
|
|
|
(0)
|
|
|
|
|
|
|
(0)
|
|
|
|
|
|
|
(0)
|
Новости, обзоры и акции
