Новости, обзоры и акции
Новости, обзоры и акции
|
|
|
|
|
|
(0)
|
Циклон ЛИОТ-8 используется, в основном, для целей, не требующих стопроцентной очистки воздуха и газа. Если же возникает такая потребность, используются дополнительные фильтры.
ПРИМЕЧАНИЕ: Цены на циклоны ЛИОТ даны без стоимости бункера, постамента и пылевого затвора (стоимость рассчитывается отдельно).
Циклон ЛИОТ-8 применяется, главным образом, на элеваторах, в зернохранилищах, на комбикормовых заводах, а также других сельскохозяйственных объектах. Гарантирует высококачественную очистку газа и воздуха средней и грубой фильтрации. Если предприятие нуждается в стопроцентной очистке, данный циклон также подходит, однако, с применением дополнительных фильтров.
Массовая концентрация пыли в очищаемом газе, г/м3 – 400. Температура очищаемого газа, °С не более 400. Давление (разрежение), Па 798. Коэффициент гидравлического сопротивления циклонов: для одиночного исполнения 460, c «улиткой» 411. Оптимальная скорость в циклоне 1,5 м/сек. Оптимальная скорость на входе 15,5 м/сек.
Необходим периодический полный осмотр всей системы. Важен контроль над уровнем пыли. Он не должен превышать уровень плоскости, который находится на расстоянии половины диаметра от крышки бункера. Поскольку процесс работы прибора не полностью автоматичен, следует периодически выгружать пыль.
Более подробную информацию о циклонах ЛИОТ смотрите ЗДЕСЬ!

|
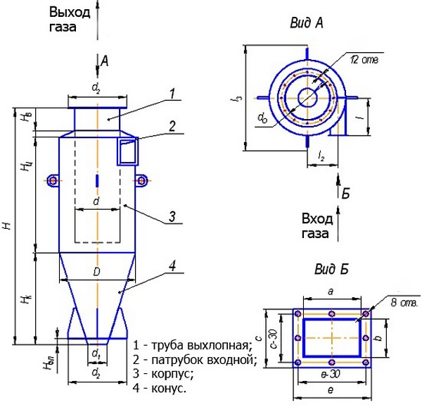
Размеры в мм |
||||||||||||
|
D |
d |
d1 |
d2 |
d0 |
H |
l |
l2 |
l3 |
a |
b |
c |
e |
|
1600 |
940 |
400 |
1045 |
945 |
4675 |
800 |
635 |
1695 |
495 |
330 |
390 |
555 |
Характеристики |
|
|
№ Циклона |
ЛИОТ-8 |
|
Производительность по воздуху |
10300-13800 м3/ч |
|
Диаметр |
1600 мм |
|
Высота |
4675 мм |
|
Размер патрубка |
495х330 мм |
|
Масса |
633 кг |
|
|
|
|
|
|
(0)
|
|
|
|
|
|
|
(0)
|
|
|
|
|
|
|
(0)
|
|
|
|
|
|
|
(0)
|
Новости, обзоры и акции
