Время работы:
ПН-ПТ 8-21
СБ-ВС 10-16

 Заказать звонок
+38(050)344 33 23
+38(067)217 47 33
+38(050)344 33 20
RU
Для проектировщиков, монтажников и строителей эксклюзивные условия на товары, работы и услуги. Звоните, договоримся!

Осевой вентилятор ВО-06-300-5 (0,37/1500)

У нас цены настолько низкие
что их пришлось убрать. Звоните!

В наличии
Запрос цены
Запросить цену
Осевой вентилятор ВО-06-300-5 (0,37/1500)
Имя*
Телефон*
Время звонка*
Сообщение
Код с картинки*
CAPTCHA
Артикул: -
(0)

Вентилятор с осевым перемещением воздуха, с возможностью применения в закрытом пространстве и под навесом, при умеренном климате.

  • Мощность электродвигателя – 0,37 кВт;
  • Частота оборотов вала двигателя - 1500 об/мин;
  • Производительность - 6 м3/ч;
  • Полное давление - 94 Па.
Характеристики
Производитель Украинские
Производство Украина

Вентиляторы осевые ВО-06-300-5 (0,37/1500) – назначение и функциональные особенности

Модель промышленного осевого вентилятора ВО-06-300-5 (0,37/1500) имеет специальные свойства и конструкцию, которая позволяет применять его в условиях наличия агрессивных или взрывоопасных примесей (пыли или газов) в воздушном пространстве рабочего помещения. Зачастую пространствами для работы такого вентилятора являются производственные помещения, или технологические площадки и линии.

Особенность применения вентилятора в условиях наличия взрывоопасных веществ обеспечена благодаря его конструкции, сформированной с учетом норм безопасности. Все детали вентилятора формируются из высокопрочных материалов, которые обладают стойкостью к агрессивным воздействиям и исключают появление искр в процессе работы.

Базовые характеристики вентилятора:

  • Двигатель с номинальной мощностью 0,37 кВт и номинальной частотой оборотов вала 1500 об/мин;
  • Первая схема исполнения – соединение рабочего колеса с двигателем посредством вала двигателя.

Качественные преимущества осевого вентилятора ВО-06-300-5 (0,37/1500):

  • Высокая степень стойкости к химическому и физическому износу;
  • Безопасность и надежность в функционировании;
  • Простое применение с экономией энергозатрат;
  • Высокая производительность с возможностью регулирования в доступном диапазоне;
  • Оптимальная цена.

Применение вентилятора – направления и возможности

Среди направлений и отраслей, в которых наиболее популярна установка осевого вентилятора ВО-06-300-5 (0,37/1500):

  • Производство химических материалов (промышленных, бытовой химии, строительных материалов и др.);
  • Добывание газов и пород, а также переработка газов и других материалов;
  • Нефтяная промышленность и нефтепереработка;
  • Обслуживание техники – сварка, покраска и т. п.;
  • Хранение материалов с взрывоопасными составляющими .

Обычно также вентиляторы ВО-06-300-5 (0,37/1500) работают с холодильными и сушильными установками, а также в покрасочных камерах. Также данная модель применяется для обеспечения перемещения воздушных масс в системах вентиляции помещений, работающих в агрессивных условиях.

Базовые рекомендации к применению и условия эксплуатации ВО-06-300-5 (0,37/1500):

  • Исключается перемещение воздуха или газа с примесями взрывоопасных частиц при условии его нагрева до температуры воспламенения опасного вещества, а также под избыточным давлением;
  • Максимальное количество пылевых включений - 10 мг/м3;
  • Максимальный диаметр пыли –  50 мкм;
  • Температура окружающей среды -40°С…+ 40°С (умеренный климат);
  • Возможна работа в тропическом климате, с температурой окружающего пространства до +45°С;
  • Размещение вентилятора по 2 или 3 категории согласно ГОСТ;
  • Возможна установка агрегата в соответствии с 1 категорией размещения (на улице, с применением мер защиты двигателя от атмосферных явлений, например, осадков;
  • Стоит придерживаться уровня вибрации не более 5 мм/с, а в случае превышения данного показателя – использовать виброизоляторы.

Подбор исполнения и конструктивных материалов

В соответствии с ТУ У 29.2-00909779-004-2010, в конструкции осевого вентилятора ВО-06-300-5 (0,37/1500) могут применяться материалы высокой прочности, с высокой степенью стойкости к воздействию химического характера, а также материалы, которые не вырабатывают искр в процессе трения:

  • Легированная углеродистая сталь;
  • Нержавеющая сталь;
  • Алюминий;
  • Разнородные металлы.

При этом некоторые типы материалов могут обеспечит наличие дополнительных свойств вентилятора – например, нержавейка особо стойкая к коррозии и кислотам, а легированные стали могут работать в условиях критически низких температур.

ВО-06-300-5 (0,37/1500)  - конструкция и принцип функционирования устройства

Основные элементы в конструкции вентилятора:

  • Корпус;
  • Рабочее колесо;
  • Коллектор;
  • Входной патрубок;
  • Электродвигатель;
  • Станина.

Корпус

Корпус вмещает в себе базовые рабочие элементы вентилятора. Представлен как цилиндрическая конструкция, обтекаемой формы, в которой перемещается воздушная масса. Перемещение воздуха или газов выполняется вдоль оси корпуса. На внешних стенках корпуса есть фланцевые крепления, к которым присоединяется входной патрубок для подачи газо-воздушной смеси.

Входной патрубок и коллектор

Воздух (или газовое вещество) через входной патрубок попадает к коллектору, который обеспечивает регулирование воздушной производительности вентилятора (позволяет изменить количество проходящего через вентилятор воздуха за час). Регулирование производительности выполняется пользователем, в ручном режиме, либо же с применением автоматической системы управления.

Рабочее колесо

Рабочее колесо захватывает воздух лопатками (которых в его конструкции 3), и создает необходимый уровень давления, которое позволяет воздуху (или газу) перемещаться по корпусу вентилятора и выйти в пространство. Вращение колеса может осуществляться в право- или левостороннем направлении – в зависимости от удобства и особенностей установки вентилятора, пользователь может согласовать, какой тип колеса в конструкции необходим. Монтаж рабочего колеса в конструкцию выполняется с применением прямоприводной схемы – непосредственно на вал электродвигателя.

Электродвигатель

Для запуска устройства применяется двигатель АИР с номинальной мощностью 0,37 кВт, при количестве оборотов вала 1500 об/мин. Двигатель монтируется на станину.

Станина

Станина – чугунный сварной постамент с отверстиями у основания, при помощи которых конструкция вентилятора крепится на фундаменте (а при необходимости – на виброизоляторах). На станине удерживается корпус и электродвигатель.

Правила монтажа вентилятора ВО-06-300-5 (0,37/1500)

  • Монтаж стоит выполнять с опорой на нормы и требования СНиП 2.04.05 и ГОСТ 12.4.021;
  • Взрывозащищенную конструкцию вентилятора необходимо устанавливать на виброизоляторы марки ВМВ или ВРВ;
  • Согласно ПУЭ, обязательно заземление электродвигателя;
  • Размещать вентилятор необходимо либо в отдельном помещении, либо в пространстве, которое не используется часто рабочим персоналом;
  • Первый запуск вентилятора следует выполнять только после тестового пуска, который поможет проконтролировать исправность вентилятора и выполнить необходимые действия для исправления неполадок, при такой необходимости.

Характеристика

Значение

Номер исполнения

1

Тип электродвигателя

АИР63В4

Мощность электродвигателя, кВт

0,37

Частота оборотов вала двигателя, об/мин

1500

Полное давление, Па

94

Производительность, тыс. м3/час

6

Предельно-допустимая температура газовых смесей, °С

+50

Предельная концентрация грязи и пыли, мг/м3

10

Допустимая вибрация вентилятора, мм/с

5

Диапазон температур для эксплуатации, °С

-40…+40

Масса вентилятора, кг

22

Акустические характеристики вентилятора ВО-06-300-5 (0,37/1500)

Модель вентилятора

Частота вращения, -10%, об/мин

Суммарный уровень шумовой характеристики, не более, дБ

ВО-06-300-5 (0,37/1500)

1500

85

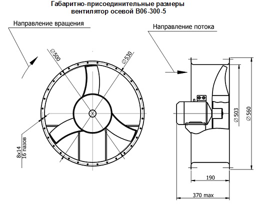
габарити во06-300-5

аеро ВО 06-300-5

Заказать звонок
Имя*
Телефон*
Время звонка*
Сообщение
Код с картинки*
CAPTCHA

{cpt_news_short_list news_num='5' overridestyle=''}