Новости, обзоры и акции
Новости, обзоры и акции
Дымосос с асинхронным двигателем (общепромышленного или взрывозащищенного исполнения).
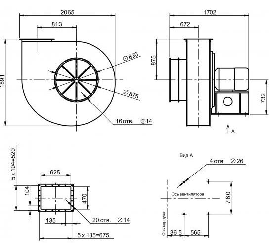
Описание характеристик и применение дымососа ДН-13 (90,0/1500)Дымосос ДН-13 (90,0/1500) – устройство для удаления смесей дымов и газов, появляющихся в процессе сгорания топлива, из пространства камеры сгорания котла или из каналов вентиляции. Рабочая смесь поступает в дымосос при помощи ее всасывания. Устройство оснащено центробежным рабочим колесом, радиальная поверхность которого оснащена лопатками, загнутыми назад (в количестве 16 штук). Лопатки захватывают смесь, и под высоким давлением перемещают ее по корпусу. Применение дымососа наиболее часто выполняется с котлами двух типов – газо-мазутных и твердотопливных. Объясняется это тем, что именно это оборудование в процессе работы выделяет наибольшее количество переработанных газов и дыма. В целом, дымосос применяется с любым котельным агрегатом, паровая производительность которого составляет 2,5-320 т/ч. При этом применяемое котельное оборудование должно быть оснащено необходимыми средствами для улавливания золы. Материалы и схемы исполнения дымососа ДН-13 (90,0/1500)Схема исполнения – 3 (установка рабочего колеса на вал электродвигателя с применением промузла). Конструктивное исполнение – общепромышленное или взрывозащищенное. Корпус дымососа поворотный, в правую или леву сторону. Материалы:
Схема поворота корпуса дымососа ДН-13 (90,0/1500)Обозначения:
|
|
Характеристика |
Значение |
|
Номер исполнения |
3 |
|
Тип электродвигателя |
|
|
Мощность электродвигателя, кВт |
90 |
|
Частота оборотов вала электродвигателя, об/мин |
1500 |
|
Давление, Па |
550-224 |
|
Производительность, тыс. м3/час |
20-80 |
|
Предельно-допустимая температура газовых смесей, °С |
-30°С…250 |
|
Предельная концентрация грязи и пыли, мг/м3 |
100 |
|
Допустимая вибрация вентилятора, мм/с |
5 |
|
Диапазон температур для эксплуатации, °С |
-40…+40 |
|
Масса, кг |
1976 |
|
Номер исполнения |
Частота вращения рабочего колеса, об/мин |
Суммарный уровень звуковой мощности, дБ, не более |
Октавные уровни звуковой мощности, дБ (не более) в полосах среднегеометрических частот, Гц |
|||||||
|
63 |
125 |
250 |
500 |
1000 |
2000 |
4000 |
8000 |
|||
|
3 |
980 |
113,5 |
107,5 |
104,5 |
103,5 |
109 |
102 |
101 |
97 |
88 |
|
1484 |
122,5 |
116,5 |
113,5 |
112,5 |
118 |
111 |
110 |
105,5 |
97 |
|
|
980 |
113,5 |
107,5 |
104,5 |
103,5 |
109 |
102 |
101 |
97 |
88 |
|
|
1484 |
122,5 |
116,5 |
113,5 |
112,5 |
118 |
111 |
110 |
105,5 |
97 |
|

Аэродинамические характеристики позволяют определить конкретное значение рабочих параметров при использовании различных рабочих режимов.
Параметры, определяемые по графику:

Новости, обзоры и акции